8-800-700-43-53, +7 (3852) 59-26-06 c 9:00 до 18:00 Пн-Пт (+4 Москва)
SALES@KIPPRIBOR.RU
ТелеграмВконткте



Скачать
Скачать

Скачать

Скачать


Регуляторы напряжения в стандартном корпусе для монтажа на радиатор

Регуляторы напряжения однофазные серия RPS12

Прайс-лист

ТТР RPS12

Регуляторы напряжения однофазные серия RPS12 предназначены для бесступенчатого регулирования напряжения однофазной нагрузки в цепях переменного тока.  

Используются для управления мощностью нагрузки резистивного типа: нагревательных элементов, ламп накаливания.


Отличительные особенности регуляторов RPS12

  • Линейная выходная характеристика.
  • Управляющий сигнал: универсальный (ток/напряжение/сопротивление).
  • Тип нагрузки: резистивная.
  • Род тока питающей сети: переменный.
  • Номинальный ток регуляторов в серии: до 75 А.
  • Номинальное напряжение питания нагрузки: 48…380 VAC.
  • Диапазон регулирования напряжения нагрузки: от 10 В до напряжения питающей сети.

Конструктивные особенности однофазных регуляторов серии RPS12

  • Cимисторный выходной силовой элемент — регуляторы с максимальным током до 80 А, тиристорный – регуляторы с максимальным током 100 и более ампер
  • Встроенная шунтирующая выход RC-цепочка защищает регулятор от импульсных помех, возникающих в сети.
  • Изготовлены в стандартном корпусе нового образца, для монтажа на радиаторы охлаждения >>>

ВНИМАНИЕ! Внимание! В связи с наличием внутренней RC-цепи в силовой цепи регулятора даже при минимальном управляющем сигнале либо его отсутствии присутствует ток утечки, который зависит от параметров нагрузки.

При снижении управляющего сигнала до минимума, обрыве или отсутствии управляющего сигнала на выходе ТТР на нагрузке может присутствовать напряжение до 10 VAC.


Технические характеристики повышающих регуляторов серии RPS12

Технические характеристики входных цепей

Параметр Значение
Тип управляющего сигнала - Ток: 4…20 мА (входное сопротивление ≤250 Ом)
- Напряжение: 0…5 В (входное сопротивление ≥10 кОм)
- Напряжение: 0…10 В (входное сопротивление ≥10 кОм)
- Сопротивление: потенциометр 10 кОм / 1 Вт
Дополнительное питание Требуется питание от внешнего источника 12 В / 0,1 А

Технические характеристики выходных цепей

Параметр Значение
Модификация RPS12-1044.VAR RPS12-1544.VAR RPS12-2044.VAR RPS12-2544.VAR RPS12-3044.VAR RPS12-4044.VAR RPS12-6044.VAR RPS12-8044.VAR RPS12-10044.VAR RPS12-12544.VAR
Номинальный ток регулятора, А  6 9 12 15 18 24 36 48 60 75
Тип выходных силовых элементов                                                     Симистор Тиристор
Тип питающей сети однофазная
Род тока питающей сети Переменный
Номинальная частота питающей сети, Гц 50
Метод регулирования Фазовое управление симистором/тиристором
Минимальный коммутируемый ток, А 0,1
Диапазон регулирования напряжения От 10 до напряжения питающей сети
Максимальное напряжение питающей сети, VAC 440
Номинальное напряжение питания нагрузки, VAC 48…380
Допустимое отклонение выходного напряжения, VAC ± 5
Максимальный импульс тока во включенном состоянии (≤ 10мс), А 80 120 160 200 240 320 480 640 800 1000
Максимальное пиковое напряжение, VAC                                                      800 1600
Ток утечки в закрытом состоянии, мА ≤ 10
Падение напряжения в коммутируемой цепи во включенном состоянии, VAC ≤ 3
Скорость нарастания тока (di/dt), А/мкс                                                    50 120
Скорость нарастания напряжения в закрытом состоянии (dV/dt), В/мкс                                                   500 1000
I2t (<10 мс), А2с 90 135 270 335 590 790 2735 3645 8230 10285
Тепловое сопротивление переход – основание (Rthjc), °С/ Вт 2,21 1,89 1,57 1,25 0,93 0,85 0,67 0,52 0,39 0,34
Максимальная температура p-n перехода (Tjmax), °С 125
Мощность рассеивания (Dissipation), Вт/А 1,18 1,17 1,16 1,15 1,14 1,13 1,06 1,02 0,98 0,93
Электрическая прочность изоляции, VAC 2000
Сопротивление изоляции, МОм (500 VDC) 100

Общие технические характеристики

Степень защиты IP20
Температура окружающей среды (эксплуатация), °С -20…+50
Температура окружающей среды (хранение) , °С -25…+85
Относительная влажность окружающей среды (эксплуатация, хранение), % 20…90
Органы индикации LED-индикатор
Встроенные защиты RC-цепь защиты силового ключа
Охлаждение Воздушное
Материал основания Алюминиевый сплав (модификации 10…80 А)
Медный сплав (модификации 100…125 А)
Тип монтажа Крепление винтами на плоскость
Масса, г ≤ 110 (модификации 10…80 А)
≤ 155 (модификации 100…125 А)

Модификации и номинальные токи повышающих регуляторов серии RPS12

Модификация регулятора Модификация радиатора KIPPRIBOR серии PTP Номинальный ток регулятора, А Максимальная мощность нагрузки, кВт Позиция
RPS12-1044.VAR PTP052 6 2,3 Складская
RPS12-1544.VAR PTP052 9 3,4 Складская
RPS12-2044.VAR PTP052 12 4,5 Складская
RPS12-2544.VAR PTP052 15 5,6 Складская
RPS12-3044.VAR PTP052 18 6,8 Складская
RPS12-4044.VAR PTP060 24 9,0 Складская
RPS12-6044.VAR PTP061.1 36 13,5 Складская
RPS12-8044.VAR PTP062.1 48 18,0 Складская
RPS12-10044.VAR PTP063.1 60 22,5 Складская
RPS12-12544.VAR PTP063.1 75 28,5 Складская

Зная мощность нагрузки, выберите ближайшую большую по мощности модификацию регулятора и указанный для этой модификации радиатор.

Внимание!

Рекомендации по величине номинальных токов актуальны только при нормальных условиях эксплуатации:

  • температура окружающего воздуха 23...25°C,
  • номинальное напряжение питания нагрузки,
  • регулятор установлен на рекомендуемой модели радиатора,
  • радиатор оснащен рекомендуемой моделью вентилятора.

Габаритные и установочные размеры регуляторов серии RPS12

Габаритные размеры RPS12

Размер резьбы Момент затяжки, Н*м
M4 1.2
M5 2

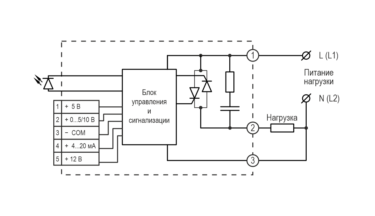
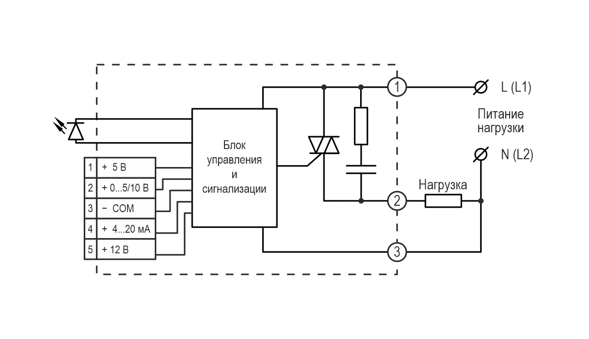
Схемы подключения силовой цепи регуляторов серии RPS12

Схемы на базе симисторов Схемы на базе тиристоров
выходные ключи на базе симисторов выходные ключи на базе тиристоров

Схемы подключения цепей управления и внешнего источника питания регуляторов серии RPS12

Схемы подключения цепей управления и внешнего источника питания регуляторов RPS12 Схемы подключения цепей управления и внешнего источника питания регуляторов RPS12
Управляющий сигнал – напряжение 0…5 В Управляющий сигнал – напряжение 0…10 В
Схемы подключения цепей управления и внешнего источника питания регуляторов RPS12 Схемы подключения цепей управления и внешнего источника питания регуляторов RPS12
Управляющий сигнал – ток 4…20 мА Управляющий сигнал – сопротивление (потенциометр 10 кОм/1 Вт)

Общие рекомендации

  • — Для эффективного охлаждения регулятора следует использовать радиатор.
  • — Для защиты от высоковольтных импульсных помех рекомендуется подключение варистора.

Схемы подключения цепей управления и внешнего источника питания регуляторов RPS12


Обозначение при заказе регуляторов серии RPS12

СУО RPS12

Например: RPS12-1044.VAR

Вы заказали: регулятор KIPPRIBOR серии RPS12 с максимальным током 10 А, максимальным напряжением питания нагрузки 440 VAC, с универсальным управляющим сигналом.


© 2008-2026 Kippribor
8 800 700-43-53, +7 (3852) 59-26-06, sales@kippribor.ru  Политика конфиденциальности